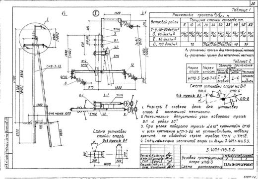
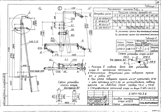
Опоры ЛЭП являются важнейшими элементами электроэнергетики, угловые промежуточные опоры УП10-3 для ВЛ 10кВ на базе стоек длиной 13м предназначены для устройства и бесперебойной работы воздушных линий электропередач. Это конструкции, с помощью которых осуществляется удержание проводов воздушных линий электропередач на заданном расстоянии от земли и друг от друга. Помимо основной, несущей, функции железобетонные опоры обеспечивают освещение пространства на улицах, площадках, магистралях в темное время суток.
Опоры ЛЭП, произведенные из железобетона, имеют весомые преимущества по сравнению с другими строительными материалами (существуют также деревянные и металлические опоры). Железобетон не подвержен разрушению под агрессивным воздействием окружающей среды и не наносит вреда экологии, железобетонные изделия подходят для установки даже вблизи чистых источников грунтовых вод. Высокая прочность и сопротивляемость окружающей среде (климатические условия, осадки и находящиеся в воздухе химические вещества) позволяют подвергать угловые промежуточные опоры УП10-3 для ВЛ 10кВ на базе стоек длиной 13м длительной эксплуатации (50-70 лет), при этом коснтрукции опор не требуют постоянного техосмотра. Конструкция и материалы опор позволяют эксплуатировать их в среде с агрессивной степенью воздействия в климатических зонах, где температура окружающей среды опускается до -55°С, сейсмичность достигает 9 баллов, а ветровая и гололедная нагрузка соответствует VII и V району по СНиП2.01.07-85.
В настоящее время энергетическое строительство активно использует жби опоры ЛЭП по всей России, так как они наиболее устойчивы к экстремально низким атмосферным температурам и агрессивным воздействиям окружающей среды. В отличие от деревянной опоры освещения изделия из железобетона не гниют во влажном климате и могут устанавливаться как в городе, так и вдоль автомобильных трасс, железнодорожных путей, в горных или заболоченных местностях и лесных массивах. По сравнению с металлическими изделиями угловые промежуточные опоры УП10-3 для ВЛ 10кВ на базе стоек длиной 13м не требуют регулярного технического осмотра, их не нужно периодически окрашивать или оцинковывать для предотвращения коррозии или окисления – бетон предварительно, во время формовки, обрабатывается антикоррозийными и водоотталкивающими присадками.
При производстве опор ЛЭП мы используем новейшие технологии производства для обеспечения высокого качества изделий из железобетона и сохранения эксплуатационных качеств изделий на долгие годы. Наши изделия угловые промежуточные опоры УП10-3 для ВЛ 10кВ на базе стоек длиной 13м соответствуют всем нормам и требованиям ГОСТ.
Конструктивно опоры ЛЭП представляют собой вытянутую прямолинейную фигуру – стойку. В теле конструкции предусмотрены закладные детали для устройства зажимов, траверс и креплений для закрепления проводов. Нижняя часть опоры, при необходимости, также имеет закладные детали для крепления к фундаменту и другим конструкциям, служащим для увеличения устойчивости и несущей способности опор (плиты, ригели).
Установка изделий угловые промежуточные опоры УП10-3 для ВЛ 10кВ на базе стоек длиной 13м начинается с выкладки деталей опоры вдоль трассы, для ее дальнейшей сборки. Собранную на земле, конструкцию опоры ЛЭП с помощью крана поднимают в проектное положение и устанавливают в цилиндрический котлован с заполнением пустот песчано-гравийной смесью. В грунтах с малой несущей способностью прочность крепления достигается путем фиксирования стоек опор ригелями и установкой их на специальные опорные плиты. Для крепления в земле оттяжек на проектном расстоянии от опоры устанавливаются анкерные плиты, или другие фундаментные конструкции в соответствии с проектом.
Энергетическое строительство предполагает, что изделия угловые промежуточные опоры УП10-3 для ВЛ 10кВ на базе стоек длиной 13м изготавливаются только из высокопрочного тяжелого бетона классом по прочности на сжатие от В30. В качестве сырья для данного жби используется портландцемент, который обладает повышенной прочностью, морозостойкостью, коррозийной устойчивостью и низкой водопроницаемостью. Гранитный щебень, который вводится в состав бетона, придает изделиям дополнительную устойчивость и стойкость к низким температурам и повышенной влажности. Каркас из высокопрочной стали компенсирует ломкость бетона и повышает эластичность конструкции. Чтобы опоры были устойчивы к внешним воздействиям, их уплотняют методом вибрирования, благодаря чему удаляются воздушные полости, и бетонная смесь равномерно распространяется по всему поперечному сечению.
Бетон стоек опор ЛЭП армируется предварительно напряженной арматурой для придания большей прочности изделиям. Армирование в виде объемных каркасов осуществляется из стержневой стали классов A-III, Aт-I, Ат-V и Aт-VI. Все детали изделий
угловые промежуточные опоры УП10-3 для ВЛ 10кВ на базе стоек длиной 13м армирования и закладные детали предварительно проходят антикоррозийную обработку и покрываются полимерными покрытиями.
Как и любые несущие конструкции, угловые промежуточные опоры УП10-3 для ВЛ 10кВ на базе стоек длиной 13м подвергаются строгой проверке по качеству изделий. Опоры ЛЭП не должны иметь трещин, кроме усадочных, ширина которых должна быть не более 0,2 мм. Раковины должны быть не шире 20 мм по ширине, сколы – не более 20 мм по глубине. Предельные отклонения геометрических параметров железобетонных опор должны быть не более ±60-80 мм по длине, сечение – ±6 мм. Отклонения от плоскости стойки должны быть не более 15 мм в любую сторону. Обнажение арматуры категорически не допускается. Толщина защитного слоя бетона до арматуры не должна быть меньше проектной на 3 мм.
Изделия угловые промежуточные опоры УП10-3 для ВЛ 10кВ на базе стоек длиной 13м хранят в горизонтальном положении с единой ориентацией торцов. Между рядами стоек, около подъемных петель должны быть предусмотрены прокладки. При хранении опор ЛЭП в штабелях высота штабеля не должна превышать 2,5 м. Транспортировку жби стоек опор разрешается производить грузовым и железнодорожным транспортом при условии обеспечения надежного закрепления, предохраняющего изделия от повреждений и падений.
В компании ГК “БЛОК” можно заказать угловые промежуточные опоры УП10-3 для ВЛ 10кВ на базе стоек длиной 13м для энергетического строительства, а так же проконсультироваться с нашими специалистами, подобрать требуемые конструкции железобетонных изделий. В нашем отделе продаж можно узнать заранее и уточнить цену опор высоковольтных линий и рассчитать общую стоимость заказа. Купить опоры ВЛ и проконсультироваться по общим вопросам покупки и доставки Вы можете позвонив по телефонам компании ГК БЛОК: Санкт-Петербург: (812) 309-22-09, Москва: (495) 646-38-32, Краснодар: (861) 279-36-00. Режим работы компании: Пн-Пт с 9-00 до 18-00. Компания ГК БЛОК осуществляет доставку опор ЛЭП по всей России прямо до объекта заказчика или на строительную площадку, если позволяет инфраструктура.
| 
											ГОСТ/Серия
																					 | Серия 3.407.1-143 вып.3 | 
| 
											Длина, мм
																					 | 13000 | 
| 
											Ширина, мм
																					 | 310 | 
| 
											Высота, мм
																					 | 235 | 
| 
											Масса, тонн
																					 | 3.7 | 
| 
											Объем бетона, куб.м
																					 | 1.5 | 
| 
											Класс бетона
																					 | В30 | 
| 
											Геометрический объем, м.куб
																					 | 1.8941 | 
| 
											Сталь, кг
																					 | 450.8 | 
| 
											Закладная 1
																					 | Стойка СНВ-7-13 | 
| 
											Закладная 2
																					 | 2 | 
Как купить
Процесс покупки железобетонных изделий у нас прост и удобен. Следуйте этим шагам:
- Выбор продукции: Ознакомьтесь с нашим ассортиментом и выберите необходимые железобетонные изделия.
- Консультация: Свяжитесь с нашим менеджером для получения консультации по выбору продукции и уточнения всех деталей. Вы можете позвонить нам или написать на электронную почту.
- Оформление заказа: После согласования всех деталей оформите заказ. Менеджер поможет вам заполнить все необходимые документы.
- Согласование доставки: После оформления заказа наш менеджер свяжется с вами для согласования условий и сроков доставки.
- Оплата: Выберите удобный способ оплаты. Мы предлагаем несколько вариантов, включая безналичный расчет.
- Получение товара: После выполнения всех условий заказа, вы получите железобетонные изделия в назначенное время и по согласованному адресу. При получении подпишите акт приема-передачи.
Если у вас возникли вопросы на любом этапе покупки, не стесняйтесь обращаться к нашим менеджерам!
Оплата
Мы принимаем только безналичные платежи и работаем исключительно с юридическими лицами. Пожалуйста, ознакомьтесь с условиями оплаты ниже:
- Способ оплаты: Все расчеты производятся безналичным путем. Мы не принимаем наличные.
- Счет на оплату: После оформления заказа вам будет выставлен счет, который необходимо оплатить в срок, указанный в документе.
- Реквизиты: Все необходимые банковские реквизиты будут предоставлены в счете. Убедитесь, что все данные указаны правильно для успешного перевода.
- Подтверждение оплаты: После осуществления платежа отправьте нам подтверждение, чтобы мы могли оперативно обработать ваш заказ.
- Получение документов: После полной оплаты вы получите все необходимые документы, включая акт выполненных работ, товарные накладные и сертификаты на продукцию.
Мы работаем с НДС и предоставляем все необходимые сертификаты и документы. Все гарантии будут прописаны в договоре, что обеспечивает прозрачность и надежность сотрудничества.
Если у вас есть вопросы по поводу процесса оплаты, не стесняйтесь обращаться к нашим менеджерам за помощью!
Наша оперативность — ваше удобство. Мы гарантируем своевременную доставку железобетонных изделий, что является ключевым фактором для успешной реализации ваших строительных проектов. Доставка осуществляется прямо к вашему объекту с учетом всех стандартов качества.
    Основные условия доставки:
    • Выбор тарифа: Вы можете выбрать способ расчета стоимости доставки — почасовой или по зонам.
    • Согласование: Менеджер свяжется с вами для уточнения деталей после оформления заказа.
    • Время на погрузку: Комплектация товара занимает от 1 до 3 дней в зависимости от объема.
    • Акт приема-передачи: Продукция передается по акту приема-передачи.
    Тарифы на доставку:
    Цены варьируются в зависимости от расстояния и региона. Все тарифы включают НДС. При неблагоприятных погодных условиях возможны небольшие изменения в стоимости.
    География доставки:
    Мы работаем по всей территории РФ и имеем 12 офисов и производств, чтобы обеспечить удобные условия для доставки.
Для точного расчета стоимости доставки обращайтесь к нашим менеджерам!


 
						 
						 
							